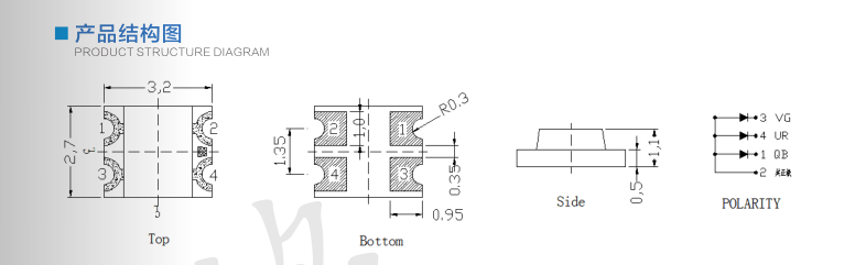
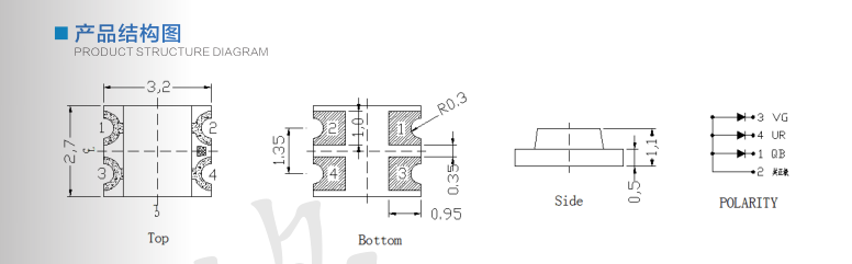
注:产品发光颜色、亮度、色温、均可按客户要求做货。






贴片LED使用说明书
为了增进您对我公司的产品特性的了解,方便您在使用过程中掌握其使用特性,尽量减少或避免因人为因素造成不必要的产品损坏或者性能不匹配。特在此说明。
1. 物料确认
投料的LED BIN 等级是否吻合 在一起使用亮度可能有差异,不同的CIE BIN 在一起使用发光颜色可能会用差异)。
2. 包装储存
开包装前避免湿气进入LED 内部,建议SMD 系列的LED 存放在内置干燥剂的干燥柜中。储存环境温度范围5-30 度,湿度不超过50%。
3. 开包装后的预防措施
开包装后尽可能采取整卷除湿措施,除湿条件:70 度烘烤4-12 小时。
除湿后的材料应该尽快使用完(24 小时内)。余料请密封或放置在10-40 度,湿度不超过30%的环境中。
4. 作业注意事项
本产品最多只可回焊两次,且在首次回焊后须冷却至室温之后方可进行第二次回焊.建议回流焊温度范围在200-240 度。在作业过程中,不能用手直接取材料,手上有汗,汗水对硅胶表面存在光学污染,影响出光。另外硅胶相对柔软,手用力挤压会导致断线造成死灯。
不建议将LED 贴装在弯曲的线路板上。焊接时避免快速冷却,在LED 焊接冷却过程中避免任何形式的机械力或过度震动,焊接后,不要弯曲线路板。在返修或单颗材料作业时,不能用镊子挤压胶体表面,由于硅胶相对较软,用镊子挤压胶体会导致断线,压伤晶片,从而死灯。
在批量作业时,吸嘴小于产品内径会导致吸嘴冲压硅胶,造成金线断裂,晶片受压而死灯。
完成焊接的LED 不宜进行返修作业,如不可避免,采用双头烙铁,但事先要确认返修后是否对LED特性产生破坏。
5. 静电防护
LED 是静电敏感电子原器件,应该采取各种措施避免静电。例如:在使用过程中佩戴静电环。所有的装置设备、仪器应接地。建议在对组装后的LED产品进行测试检查LED 是否收到静电的破坏。
6. 清洁清洗
建议使用异丙醇来清洁LED,如果采用其他溶剂清洗,一定要确保此溶剂不会对环氧、有机硅、硅胶、支架银层等产生影响。不建议使用超声波清洗以免对LED 造成伤害。若不可避免,清洗前请事先进行预测试,以确认是否对LED 造成不良影响或潜在性隐患。
7. 其他注意事项
LED 长期暴露在阳光或偶尔暴露在紫外线下可能导致胶体变黄。
为了确保LED 光电性能,请保持LED 发光区表面清洁,避免手指印或其他异物覆盖。
在设计电路时应预防开关过程中产生逆向电压或过大电流对LED 瞬间冲击。
在使用过程中避免镊子等锋利工具触碰硅胶胶体部分。
产品特性:可靠性高,亮度一致性高、发光角度大;产品经过严格的信赖性实验,外观尺寸小; 应用领域:汽车电子、LED背光源、电子电器指示应用、电脑、手机数码产品、电子玩具、LED显示屏