产品照片

引用标准
GB/T 4827-2015
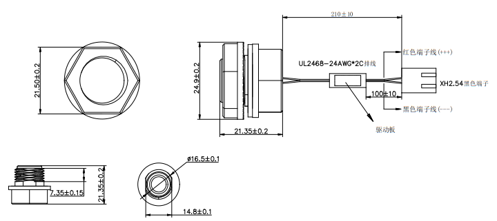
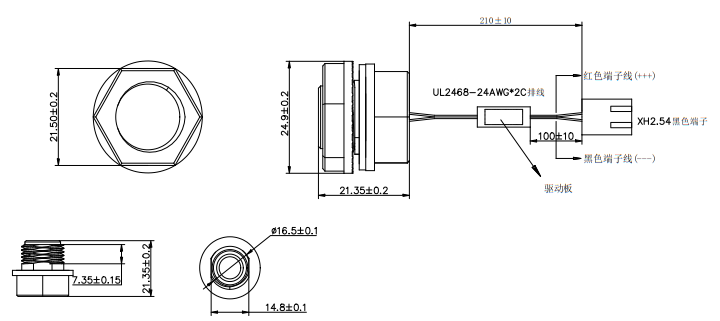
产品结构

产品规格
恒压驱动:24V
引线规格:UL2468-24AWG 并线,XH2.54 黑色端子头
端子规格:2PIN
防水等级:模块正面(石英窗口面)IP68 防尘防水(不含端子)
使用温度:-25~50 ℃
光电特征参数
| Item | Symbol | Min. | Typ. | Max. | Unit |
|---|---|---|---|---|---|
| 工作电压 | Vf | / | 24 | / | V |
| 驱动电流 | If | / | 40 | / | mA |
| 峰值波长 | λp | 270 | / | 280 | nm |
| 光功率 | P0 | 3 | / | 6 | mW |
| 出光角 | 2θ1/2 | / | 60 | / | deg. |
这些数值由光谱分析仪和积分球测量系统测量。公差如下:工作电压(Vf):±2%;光功率(P0):±10%;峰值波长(λp):±3.0 nm
虽然所有的LED都是由im电竞的设备进行测试,但根据测试设备的条件,某些值可能会略有不同。
检验方法
紫外光功率测试:使用积分球,测试模组的紫外光功率输出为指定值;
紫外光波长范围测试: 270~280 nm;
绝缘耐压测试:带电部分与外壳间施加 AC1500 V、50Hz 电压,维持 1min, 不出现击穿等现象;
高低温测试:产品在温度-25~40℃范围内能可靠的工作;在温度-40℃~85℃范围内能可靠存储。
产品使用注意事项
产品须轻拿轻放,严禁跌落、严禁锐器接触产品特别是灯珠出光面;
请勿使用不符合要求的电源进行驱动;
产品应用于额定温度范围内的环境中,不得在高温密闭环境中长时间点亮;
请勿将模组直接裸露在高湿环境下,应做好防水防湿隔离处理;
产品如果需要透光窗口,推荐使用高纯石英玻璃板,可有效透过紫外线。
人体防护

所有装配工人,观察员和旁观者必须进行眼睛和皮肤保护;
禁止裸眼观察(包括通过显微镜)和在操作中裸露处理深紫外 LED;
深紫外光线很容易被污染物吸收,切勿触摸深紫外灯珠的光学结构 ;
本产品为湿敏性产品,建议存储温度18℃~30℃,湿度30%~60%,密封保存,为保证产品质量,外包装袋未打开的,
建议出厂后一年内使用完;外包装袋打开的,建议于24小时内使用完,超过24小时需重新密封存放,下次使用前建议先采取除湿措施:温度:65℃ 时间:5H。