贴片红外发射管

6070红外发射管850NM

6070红外发射管850NM
产品型号:TM-S6070IR850Y3W-E
产品特点:金线 知名芯片 低压直流
99.99%金线焊接 颜色一致性高 低压直流操作
更可靠、更稳定 高品质,高流明 更安全
节能高效 瞬时启动
应用场景
广泛应用各类家电,电子产品、照明灯饰、数码产品、汽车电子、通信交通指示、城市亮化工程的相关产业
产品型号:TM-S6070IR850Y3W-E
产品特点:金线 知名芯片 低压直流
99.99%金线焊接 颜色一致性高 低压直流操作
更可靠、更稳定 高品质,高流明 更安全
节能高效 瞬时启动
应用场景
广泛应用各类家电,电子产品、照明灯饰、数码产品、汽车电子、通信交通指示、城市亮化工程的相关产业
联系im电竞
6070红外发射管850NM 立即咨询
首页/产品/红外线|光敏系列/红外发射管/贴片红外发射管
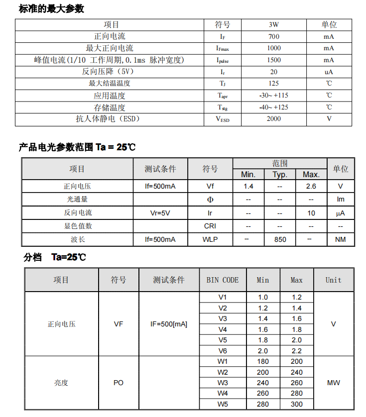
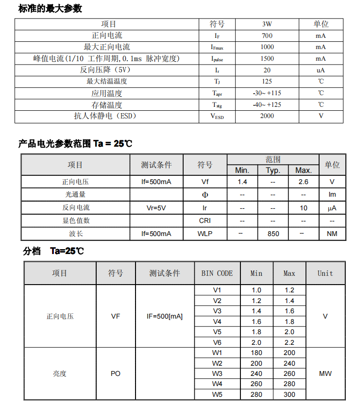
技术规格

im电竞品质管理体系:im电竞光电科技全套采用ASM顶级自动化封装及检测设备,十万级净化、恒温恒湿、防静电生产车间,并全部采用进口原材料及精细严谨的台湾企业管理模式,im电竞光电严谨执行SGS公司ISO9001:2008品质管理体系认证,奉献“不投入不良、不制造不良、不流出不良”的ITD原则,全程呵护产品品质。

6070尺寸.jpg

6070 850参数.png




贴片使用说明.png


im电竞企业文化:

提高im电竞职工身体素质  增强企业凝聚力

台銘企业文化.jpg



Copyright © 2020 广东im电竞光电科技有限公司All rights reserved 粤ICP备2022115307号 网站地图 法律申明